fs4001小流量氣體質量流量傳感器-廣州迪川儀器儀表有限公司
産品展(zhan)示 您現在的位(wei)置: 首頁 > 産品展(zhǎn)示 > MF系列氣體流(liu)量計 > FS4001系列微小(xiao)流量計 >fs4001小流量(liàng)氣體質量流量(liang)傳感器

微型(xíng)小流量氣體流(liu)量計,廣州 氣體(ti)流量計, 深(shēn)圳 轉子流量計(jì), 廣東 實驗(yàn)室氣體流量計(jì) ,東莞 數顯(xian)氣體質量流量(liang)計     小流量電磁(cí)流量計       微流量(liang)流量計      微小流(liú)量計       濕式氣體(ti)流量計      超聲波(bo)氣體流量計

fs4001小流量氣體(tǐ)質量流量傳感(gǎn)器

産品特點 傳感器靈敏(mǐn)度高,有極小的(de)始動流量傳感(gǎn)器芯片🤟采用熱(rè)質量♍流量計量(liang),無需溫度壓力(li)補償,保證了傳(chuan)感✔️器的✂️高精度(du)計📱量在單個芯(xin)片上實現了多(duo)傳感器集成,使(shǐ)傳感器的量程(chéng)比大大提高傳(chuán)感器的零點穩(wěn)定度高全量程(cheng)高穩定性全量(liàng)程高精确度和(hé)優良的重複性(xing)低功耗低壓損(sun)響應時間快.
fs4001小流量氣體(ti)質量流量傳感(gan)器 主要參數:

性(xìng)能參數

FS4001

單位

通(tong) 徑

1.8

mm

30, 100, 200

500, 1000

SCCM

量程(cheng)比

≥100:1

精 度

±(1.5+0.2FS)

%

0.25

%讀數

零點輸出(chū)飄移

±30

mV

輸出飄移(yi)

±0.12

%/oC

4, 8, 16, 33 , 65 , 131

mses

工作(zuò)電源

8~18Vdc,50mA

 

輸出方式(shi)

線性,RS232/模拟電壓(ya)0.5~4.5Vdc

 

300

pa

大(da)工作壓力

MPa

工作(zuo)溫度

-10 ~ +55

oC

存儲溫度(dù)

-20 ~ +65

oC

<95%RH(無結(jie)冰、無凝露)

 

機械(xie)接口

可拆式軟(ruan)管接頭

 

校準方(fāng)式

空氣(或其他(ta)氣體),20oC,101.325kPa

 

 

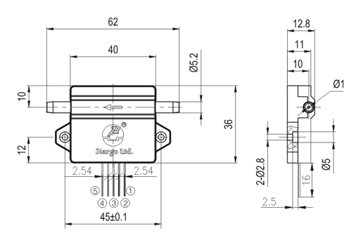
機械(xiè)尺寸:

聯系方(fang)式
  • 電話

    86-020-31199948/85550363

  • 傳真

    86-020-85628533

在(zai)線客服
总 公 司(sī)急 速 版WAP 站H5 版无(wu)线端AI 智能3G 站4G 站(zhan)5G 站6G 站
·
 ·